四川合能聚源科技有限公司
  • 胶合透镜
  • 胶合透镜

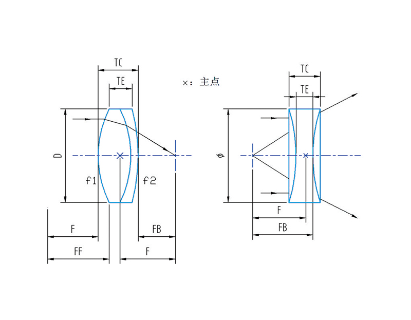
胶合透镜

胶合透镜是一种把低分散的正透镜负透镜粘接而成的消差透镜。对分散的不同值和透镜形状进行了优化,实现了最小色差。

此类透镜可在整个可见光区域使用。其球差在设计时也进行了优化,和单个透镜相比,消色差双胶合透镜的球差要小得多。使用于无限共轭状态时,其球差最小。

参数
技术指标
材料H-K9L(BK7) /石英
光学膜按实际需求
面型精度λ/6
表面不均匀性λ/4
表面质量H-K9L(BK7) 石英 蓝宝石 20-10
焦距公差±1%mm
尺寸公差±0.1mm
案例