四川合能聚源科技有限公司
  • 平凸柱面透镜
  • 平凸柱面透镜

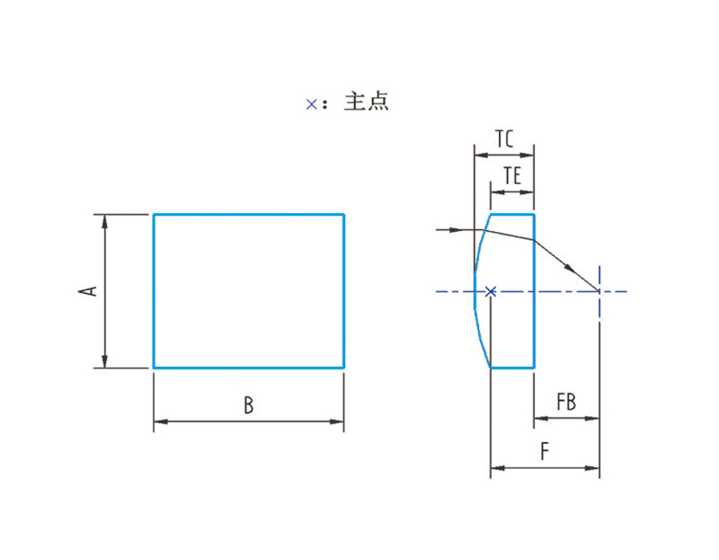
平凸柱面透镜

平凸柱面透镜成线状像,用于仅需控制光束的一个方向的尺寸。此透镜的材料为BK7,所以不适用于紫外波长。

与球面透镜相比,柱面透镜的制造难度更高。要合理选择材料(纹理,气泡,杂质,均匀性),注意影响散乱的因素(划伤,凹痕,光泽),高质量研磨。

可以分为没镀膜和镀了可见光带域的防反射多层膜透镜。

参数
技术指标
材料H-K9L(BK7) /石英
光学膜按实际需求
面型精度λ/2
表面不均匀性λ/2
表面质量20-10
中心厚±0.1mm
尺寸公差±0.1mm
检测