四川合能聚源科技有限公司
  • 平凸透镜
  • 平凸透镜

平凸透镜

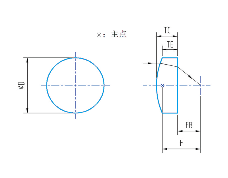
球面平凸透镜凸透镜是根据光的折射原理制成的。凸透镜是中央较厚,边缘较薄的透镜。

这类透镜用于汇聚平行光,或把点光源转化成平行光。

合理选择材料(纹理,气泡,杂质,均匀性);在研磨时,考虑到了用于可干涉光时,不产生散乱(划伤,凹痕,光泽)。

规格品有没镀膜和镀了可见光带域的防反射多层膜透镜。

单个透镜的焦距是主点到焦点的距离。

参数
技术指标
材料H-K9L(BK7) 、石英、蓝宝石、CaF2、BaF2、MgF2、Ge、ZnSe
光学膜按实际需求
面型精度λ/6
表面不均匀性λ/4
表面质量H-K9L(BK7) 石英 蓝宝石 20-10
焦距公差±1%mm
尺寸公差±0.1mm
检测